SCADA and HMI visualization development
SCADA and HMI visualizations are an essential part of the automation system, allowing operators to clearly see technological processes, control equipment and monitor the system status in real time. The quality of visualization determines how quickly you can respond to events, diagnose errors and ensure stable and safe process operation.
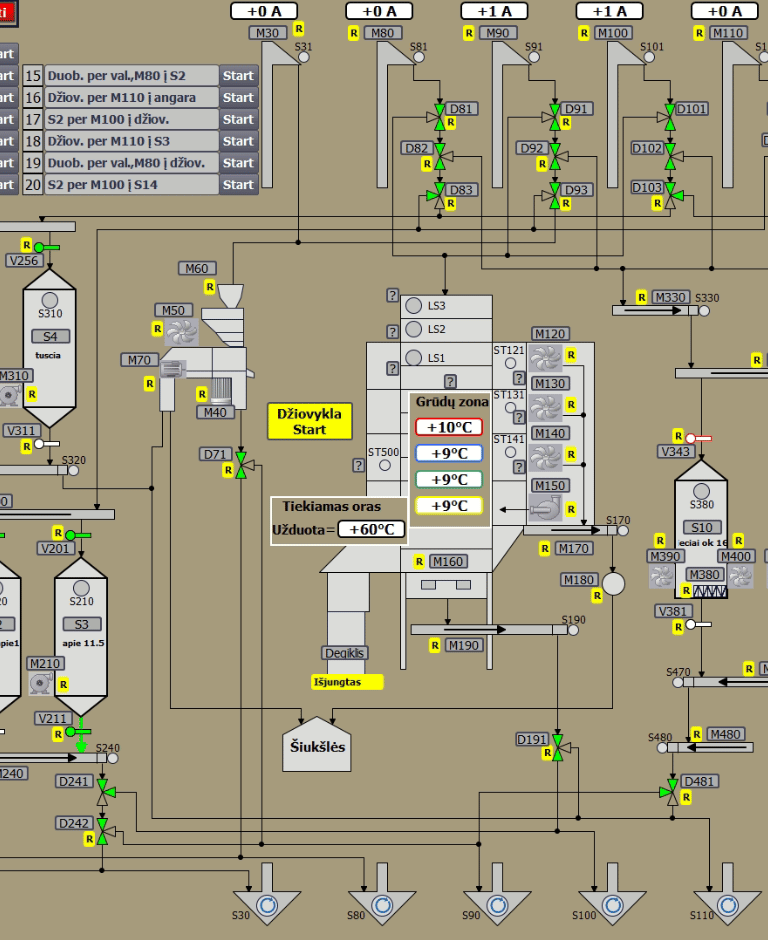
Wiretech creates clear, user-friendly and intuitive SCADA and HMI interfaces tailored to a specific technological process, equipment or production line. Visualizations are created in a way that makes it easy for the operator to understand the system status, control the equipment and see the most important parameters.
Creating HMI visualizations
HMI (Human–Machine Interface) visualizations are an operator interface that allows for convenient and clear control of equipment and monitoring of process states. The logic and clarity of the HMI screen determines how quickly the operator will understand information, react to changes, and be able to perform necessary actions.
At Wiretech, we create functional and intuitive HMI visualizations tailored to specific technological lines and industrial processes.
What does HMI development involve?
Convenient screen structure and arrangement of controls
Display of equipment statuses, indicators and processes
Buttons, settings and controls
Tamper protection and access levels
Displaying alarms, errors and warnings
Simple and clear navigation between screens


Development of SCADA systems
SCADA (Supervisory Control and Data Acquisition) systems allow you to monitor and control the entire technological process from a higher level — view data in real time, analyze performance, and identify malfunctions. This is a comprehensive solution for larger production lines, groups of equipment, or the entire factory.
Wiretech develops modern SCADA systems that provide detailed analysis of events, processes and data and ensure smooth equipment management.
What does SCADA development involve?
Real-time process visualization
Detailed event, alarm and error logs
History of parameters, flows, loads and other indicators
Data collection and archiving
Charts, analysis tools and trend tracking
Integration with PLC, HMI and other systems
User management and access levels




SCADA visualization programming
Main features and advantages of SCADA system:
Centralized control: SCADA provides the ability to monitor and control various processes in one centralized system. This allows for quick response to changes and efficient decision-making.
User-friendly interface: A graphical user interface (GUI) with real-time data and visualizations facilitates the work of operators, helping them understand and manage the system. This reduces the risk of errors and speeds up decision-making.
Centralized control: SCADA provides the ability to monitor and control various processes in one centralized system. This allows for quick response to changes and efficient decision-making.
Centralized control: SCADA provides the ability to monitor and control various processes in one centralized system. This allows for quick response to changes and efficient decision-making.
